CMD‑10PB 对刀仪是一款高精度、高防护的接触式对刀装置,专为小型高速数控机床设计, 精度0.001mm,IP68 防护结构,加工中心专用对刀仪,输出开关量信号由数控系统接收信号再由程控执行刀具长度设定、刀具磨耗检测、刀具破损 折断检测,在没有震动误动作情况下,按照额定电压电流及规定速度内,可以对机器热变形做补正。


产品特点
1.防尘防水结构,在冷却液、铁屑飞扬的条件下仍具
有很好的耐久性。
2.因对刀仪无需内置放大器,所以不会因对刀仪所处部
位的温度、电源电压波动造成偏差。
3.可直接向NC、程序(PLC)输入,所以性价比较好。
4.超行程时可发报警信号。
5.刀具突出的尖角直接接触加工尺寸相关工具尖端,
测知其位置、尺寸、输出信号,所以与激光和通电
式通过光量和电量换算间接求出平均数值(计量、输
出)方式相比,精度高。缺点:不能在刀具高速运转
过程中测量。
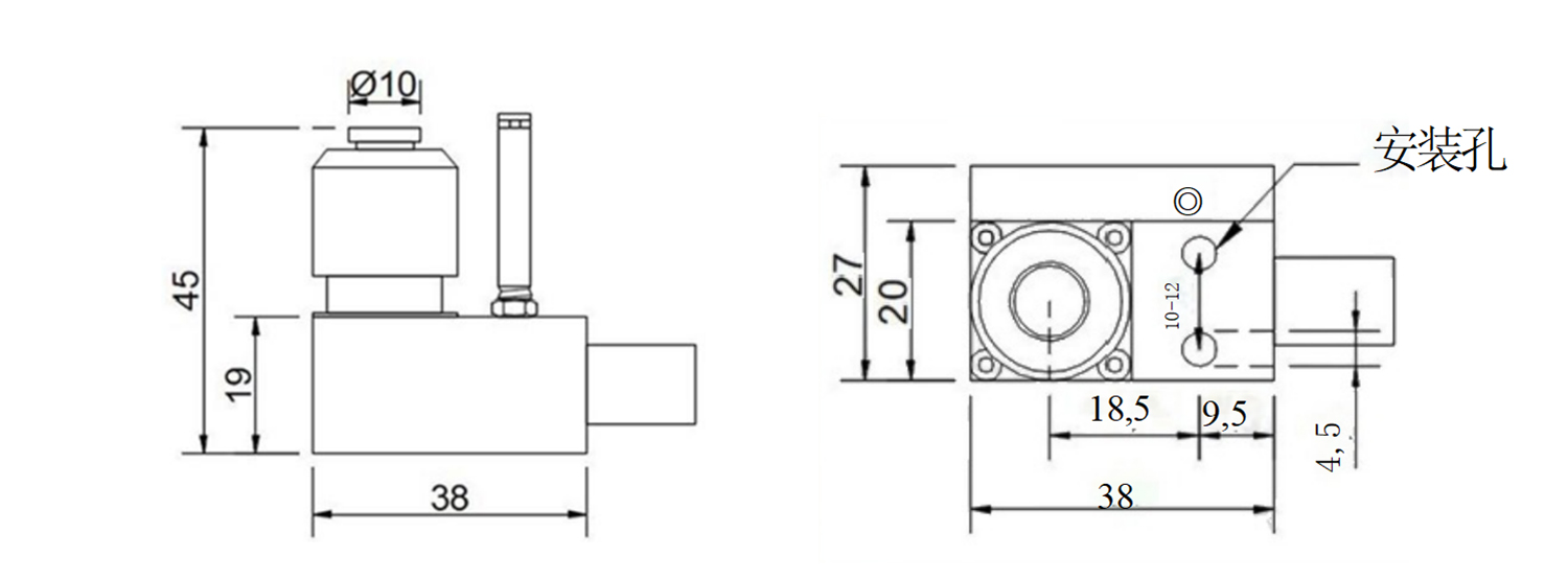
产品尺寸图/电路路


输出模式:B:NC(当信号断开后紧急停止)
触点电压: DC24 20mA电阻负荷(特殊情况下须加负数,限电流)

深圳弘匠科技有限公司
联系人:刘经理
热线:13510615617
地址:深圳市龙岗区龙翔大道4052号
